counter stats Led Chaser Circuit Diagram Pdf, Diagram Circuit Diagram 4017 Full Version Hd Quality Diagram 4017 Voipdiagram Sunrise Parachutisme Fr

Led Chaser Circuit Diagram Pdf, Simple 220 V Ac Led Chaser Circuit Diagram

  • 1
  • Circuit Desolator Basic Led Chaser Circuit 4017
  • Ideas About Led Circuit Pdf
  • Diagram Digital Electronics Mini Projects With Circuit Diagram Full Version Hd Quality Circuit Diagram Diagramwoodv Gisbertovalori It
  • Instrumentation Amplifier Using Ad620 Schematic Circuit Diagram
  • Rainbow Led Chaser
  • Dancing Light
  • Led Chaser Circuit With Pcb Layout Running Lights Eleccircuit Com Circuit Electrical Circuit Diagram Running Lights
  • Led Chaser Cirucit Diagram
  • Circuits4you Com Led Chaser Circuit

Find, Read, And Discover Led Chaser Circuit Diagram Pdf, Such Us:

  • Diagram Ecu Circuit Diagram Pdf Full Version Hd Quality Diagram Pdf Diagramscaves Tomari It
  • Led Chaser Circuit Docx Electronic Circuits Electrical Components
  • Led Chaser Circuit With Pcb Layout Running Lights Eleccircuit Com Led Projects Led Circuit
  • Simple Running Led Led Chaser Circuit Using 3 Transistors Deeptronic
  • Https Encrypted Tbn0 Gstatic Com Images Q Tbn And9gcqf0nxnvqndx Dih5nl0i6o Wnzn3vu1vqeuw Usqp Cau

If you are looking for Two Way Switch Diagram For A Bulb you've arrived at the perfect place. We ve got 104 graphics about two way switch diagram for a bulb including images, photos, pictures, backgrounds, and more. In such page, we also provide variety of graphics out there. Such as png, jpg, animated gifs, pic art, logo, black and white, transparent, etc.

How To Make Led Chaser Circuit Running Light Using Ic 4017 Ic 555 Youtube Two Way Switch Diagram For A Bulb

8 Channel 6 Function Light Chaser Using 8051 Thisproject Is Based On At89s51 Microcontroller Simple Circuit And Software Two Way Switch Diagram For A Bulb

Vy 7271 Led Chaser Circuit Free Diagram Two Way Switch Diagram For A Bulb

20 Led Sequencer Chaser Using 555 4017 Ics Circuit Diagram Two Way Switch Diagram For A Bulb

Running Light Led Chaser Circuit Two Way Switch Diagram For A Bulb

Led Chaser Circuit With Pcb Layout Running Lights Eleccircuit Com Circuit Electrical Circuit Diagram Running Lights Two Way Switch Diagram For A Bulb

Led Chaser Circuit Electronics Projects Hub Two Way Switch Diagram For A Bulb

Circuit Desolator Basic Led Chaser Circuit 4017 Two Way Switch Diagram For A Bulb

Https Encrypted Tbn0 Gstatic Com Images Q Tbn And9gcsuxmph9eoi9hvaduvqhllq3ght8odl5qruiuj Jgruo6fjszjv Usqp Cau Two Way Switch Diagram For A Bulb

Led Knight Rider Circuit Led Running Light Led Chaser Circuit Two Way Running Led Two Way Switch Diagram For A Bulb

Two Way Switch Diagram For A Bulb, Led Chaser Circuit Diagram Using Ic 555 And Cd 4017

  • 1
  • Knight Rider Led Chaser Circuit Homemade Circuit Projects Circuit Projects Electronic Circuit Design Electronic Circuit Projects
  • Led Chaser Circuit Docx Electronic Circuits Electrical Components

Two Way Switch Diagram For A Bulb, Led Chaser Arduino Project Hub

  • Diagram Circuit Diagram Running Led Display Full Version Hd Quality Led Display Wiringgame Pizzagege Fr
  • Led Chaser Circuits Knight Rider Scanner Reverse Forward Cascaded Homemade Circuit Projects
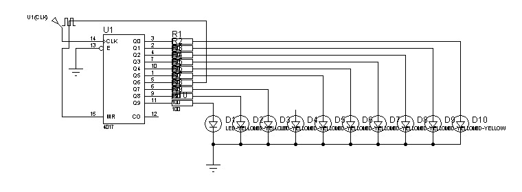
  • Led Chaser Using 4017 Counter And 555 Timer

Two Way Switch Diagram For A Bulb, Simple 220 V Ac Led Chaser Circuit Diagram

  • Pin On Led
  • Https Encrypted Tbn0 Gstatic Com Images Q Tbn And9gcrwojyf Vwoillpeccrbojbmumakfjnbsblqw Usqp Cau
  • Led Chaser Using 4017 Counter And 555 Timer

More From Two Way Switch Diagram For A Bulb


Incoming Search Terms:

  • Led Chaser All About Circuits Instrument Landing System Block Diagram,
  • Diagram 12v Led Circuit Diagram Full Version Hd Quality Circuit Diagram Mahe Diagram Mille Annonces Fr Instrument Landing System Block Diagram,
  • Led Chaser With Only 4017 Youtube Instrument Landing System Block Diagram,
  • Https Encrypted Tbn0 Gstatic Com Images Q Tbn And9gcqf0nxnvqndx Dih5nl0i6o Wnzn3vu1vqeuw Usqp Cau Instrument Landing System Block Diagram,
  • How To Make Led Chaser Circuit Running Light Using Ic 4017 Ic 555 Youtube Instrument Landing System Block Diagram,
  • Https Encrypted Tbn0 Gstatic Com Images Q Tbn And9gctrgzcx Fulmtewismo Ggz4f5uxt8hm03sai7mkekys8kzdnnp Usqp Cau Instrument Landing System Block Diagram,