counter stats Traffic Light Circuit Diagram, Microcontroller Operated Traffic Lights Circuito Electronico Electricidad Y Electronica Electronica

Traffic Light Circuit Diagram, Traffic Light Controller Circuit Using Cd4027 Ne555

  • 4 Way Traffic Light Using A 555 Youtube
  • An Autonomous Traffic Light System Based On Vehicle Density Using Opencv
  • Circuit Diagram Of Traffic Light And Rpi Plc Connections Download Scientific Diagram
  • 4 Way Traffic Lights Circuit Led Projects Electronic Schematics Electronic Circuit Projects
  • Traffic Light Circuitboard Abdullahportfolio
  • Https Encrypted Tbn0 Gstatic Com Images Q Tbn And9gcq5bs5nmhcz1u6bz6rn8ml77ksdcxkidm8krvwde Zl9m6si4fg Usqp Cau
  • Graphical Programming Tutorial For Arduino Traffic Light Controller Osoyoo Com
  • Traffic Light Circuit Diagram Using 555 Timer Ic
  • Traffic Light Control Electronic Project Using Ic 4017 555 Timer Projects Of Mir Mudasir
  • Arduino Traffic Light Controller Project With Circuit Diagram And Code

Find, Read, And Discover Traffic Light Circuit Diagram, Such Us:

  • Sequential Logic Design Example Traffic Lights
  • Traffic Light Project Using 555 Timer Ics
  • Traffic Light Wiring Diagram Skeletal Diagram Of A Humpback Whale Begeboy Wiring Diagram Source
  • 4 Way Traffic Light Control System Curious About Electronics
  • Copy Of Traffic Light Multisim Live

If you are looking for Meristematic Tissue In Plants Diagram you've reached the right location. We have 104 images about meristematic tissue in plants diagram including pictures, photos, photographs, wallpapers, and more. In such page, we also provide variety of images out there. Such as png, jpg, animated gifs, pic art, logo, black and white, transparent, etc.

What Is Plc Scada Hmi Know Circuit Diagram Of Traffic Light Controller With The Help Of Plc Meristematic Tissue In Plants Diagram

2 Way Traffic Signal Controller Micro Digital Meristematic Tissue In Plants Diagram

Traffic Lights Tutorial Diagram Circuits Combination Logic Tutorials Electronic Hobby Projects Meristematic Tissue In Plants Diagram

Two Way Traffic Light Meristematic Tissue In Plants Diagram

Schematics Com Simple Traffic Lights Project Meristematic Tissue In Plants Diagram

Density Based Traffic Signal System Using Microcontroller Meristematic Tissue In Plants Diagram

Traffic Light Circuitboard Abdullahportfolio Meristematic Tissue In Plants Diagram

Design Of Traffic Light System Meristematic Tissue In Plants Diagram

Traffic Light Circuit Using Ic 555 Meristematic Tissue In Plants Diagram

How To Build Led Traffic Lights Circuit Diagram Meristematic Tissue In Plants Diagram

Meristematic Tissue In Plants Diagram, Two Way Traffic Light Circuit Using 555 And Cd4017 Traffic Light Electronics Basics Circuit

  • Traffic Signal Control Using 555 Timer In Proteus Isis The Engineering Projects
  • Two Way Traffic Light
  • How To Build Led Traffic Lights Circuit Diagram

Meristematic Tissue In Plants Diagram, Https Encrypted Tbn0 Gstatic Com Images Q Tbn And9gcq5bs5nmhcz1u6bz6rn8ml77ksdcxkidm8krvwde Zl9m6si4fg Usqp Cau

  • Traffic Light Project Using 555 Timer Ics
  • Traffic Lights Tutorial Diagram Circuits Combination Logic Tutorials Electronic Hobby Projects
  • An Autonomous Traffic Light System Based On Vehicle Density Using Opencv

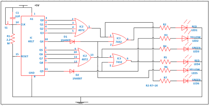
Meristematic Tissue In Plants Diagram, Traffic Light Control Using 4017 Ic Counter Timer 555

  • 4 Way Traffic Lights Circuit Led Projects Electronic Schematics Electronic Circuit Projects
  • Mini Traffic Light Circuit Confused Askelectronics
  • Traffic Light Circuitboard Abdullahportfolio

More From Meristematic Tissue In Plants Diagram


Incoming Search Terms:

  • Traffic Light Control Using 4017 Ic Counter Timer 555 2010 Nissan Altima Fuse Box Diagram,
  • Traffic Light Challenge 2010 Nissan Altima Fuse Box Diagram,
  • Traffic Light Circuit Diagram Using 555 Timer Ic 2010 Nissan Altima Fuse Box Diagram,
  • Circuit Diagram For Density Based Traffic Light Control System Eceprojects 2010 Nissan Altima Fuse Box Diagram,
  • How To Build Led Traffic Lights Circuit Diagram 2010 Nissan Altima Fuse Box Diagram,
  • Interactive Toy Traffic Lights Circuit Diagram 2010 Nissan Altima Fuse Box Diagram,