counter stats Pentium Architecture Block Diagram, The New Athlon Processor Amd Is Finally Overtaking Intel Thg Ru

Pentium Architecture Block Diagram, Intel Pentium And Celeron Processor N3000 Block Block Diagram Celeron N3050 Clipart 3406847 Pikpng

  • The History Of Core 2 Duo Processors Architecture And Intel S Activities In These Years
  • Microprocessor Tutorialspoint Dev
  • Draw And Explain The Architecture Of Pentium Processor
  • Branch Prediction In Pentium Geeksforgeeks
  • Chapter 3 Computer Architecture
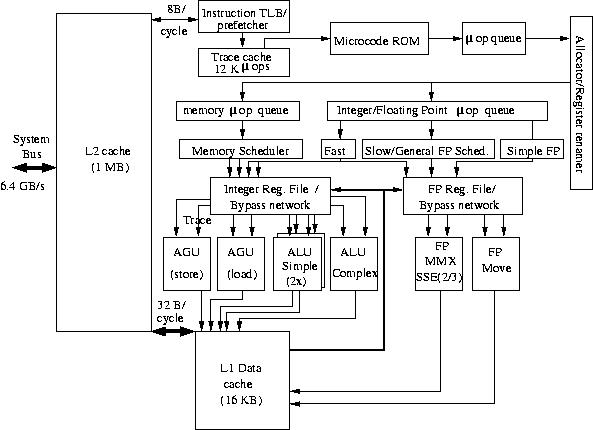
  • Intel Pentium 4 Processor 1 Mamas Computer Architecture Pentium 4 Processor Based On The Microarchitecture Of The Pentium 4 Processor Itj Q1 Ppt Download
  • The New Athlon Processor Amd Is Finally Overtaking Intel Thg Ru
  • Pentium Processor Architecture Instruction Execute The Ex Stage Download Scientific Diagram
  • The Architecture Of Pentium Microprocessor Computer Science
  • Technical Highlights

Find, Read, And Discover Pentium Architecture Block Diagram, Such Us:

  • Pentium 4 Block Diagram 24757 Ilsolitariothemovie It
  • Review Intel S Pentium Extreme Edition 840 And 955x Express Chipset Cpu Hexus Net Page 2
  • Microprocessor Tutorialspoint Dev
  • Ppt Chapter 3 Powerpoint Presentation Free Download Id 2293185
  • Draw And Explain Architecture Of Pentium Processor

If you are searching for Atomic Structure Diagram you've arrived at the ideal location. We ve got 103 graphics about atomic structure diagram adding images, photos, photographs, backgrounds, and more. In such page, we also have number of graphics available. Such as png, jpg, animated gifs, pic art, symbol, blackandwhite, translucent, etc.

Figure 1 From The Pentium R Processor With Mmx Sup Tm Technology Semantic Scholar Atomic Structure Diagram

Intel Pentium 4 Xeon Nocona Atomic Structure Diagram

2 Block Diagrams Of Diierent Network Interface Architectures A Download Scientific Diagram Atomic Structure Diagram

Microprocessor Systems Understanding The Issues Atomic Structure Diagram

Showch02 Atomic Structure Diagram

Intel 80386 Wikipedia Atomic Structure Diagram

Intel Pentium M Architecture Google Search Atomic Structure Diagram

Pentium Architecture Atomic Structure Diagram

Testbed Based On A Pentium Iii Motherboard With Both A Pmc694 Nic And Download Scientific Diagram Atomic Structure Diagram

Pentium Processor Atomic Structure Diagram

Atomic Structure Diagram, Ppt The Pentium Processor Powerpoint Presentation Free Download Id 4705850

  • Ha 0237 Pentium 4 Circuit Diagram Wiring Diagram
  • Https Encrypted Tbn0 Gstatic Com Images Q Tbn And9gcr2zc1rntfwgoczsfrigsy8qvmpb40wflabhcoxymt5lhca8fhk Usqp Cau
  • Microprocessor Intel Pentium Series

Atomic Structure Diagram, Https Encrypted Tbn0 Gstatic Com Images Q Tbn And9gcqsgzsltyzyekdby8emki0jb8gtdbll9d55iaemd4bjjz 0dc V Usqp Cau

  • Previous
  • Floating Point Unit Block Diagram Download Scientific Diagram
  • Computer Architecture Cache Memory 2017

Atomic Structure Diagram, Figure 5 From Implementing Streaming Simd Extensions On The Pentium Iii Processor Semantic Scholar

  • Pentium 3 Block Diagram Pdf Spdt Float Switch Wiring Diagram Vww 69 Ab12 Jeanjaures37 Fr
  • Branch Prediction In Pentium Geeksforgeeks
  • Previous

More From Atomic Structure Diagram


Incoming Search Terms:

  • Review Intel S Pentium Extreme Edition 840 And 955x Express Chipset Cpu Hexus Net Page 2 Highest Common Factor Venn Diagram,
  • Ppt Chapter 3 Powerpoint Presentation Free Download Id 2293185 Highest Common Factor Venn Diagram,
  • Microprocessor The Intel Microprocessors 8086 8088 Architecture Highest Common Factor Venn Diagram,
  • Showch02 Highest Common Factor Venn Diagram,
  • Intel Pentium M Architecture Google Search Highest Common Factor Venn Diagram,
  • Figure 1 From The Pentium R Processor With Mmx Sup Tm Technology Semantic Scholar Highest Common Factor Venn Diagram,