counter stats Jk Flip Flop Circuit Diagram, Vhdl Code For Flip Flops Using Behavioral Method Full Code

Jk Flip Flop Circuit Diagram, Jk Flip Flop Circuit Using 74ls73 Truth Table

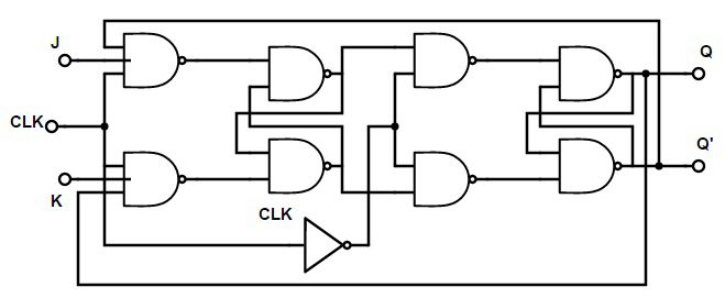
  • Draw The Circuit Of Jk Ff Using Nand Gates And Write The Truth Table
  • Https Encrypted Tbn0 Gstatic Com Images Q Tbn And9gcskks J5mmg Ces Iwrkbfkhkko Y8faobtld708tdcgyc4n Fk Usqp Cau
  • Master Slave Jk Flip Flop Geeksforgeeks
  • Jk Flip Flop Circuit Diagram Truth Table And Working Explained
  • Jk Flip Flops
  • J K Flip Flop
  • Understand The Jk Flip Flop Logic Diagram Electrical Engineering Stack Exchange
  • Flip Flops In Electronics T Flip Flop Sr Flip Flop Jk Flip Flop D Flip Flop Circuits
  • J K Flip Flop
  • Jk Flip Flop Explained In Detail

Find, Read, And Discover Jk Flip Flop Circuit Diagram, Such Us:

  • Jk Flip Flop Circuit Diagram Truth Table And Working Explained
  • Flip Flop Truth Table Various Types Basics For Beginners
  • Experiment 2 Jk Flip Flop Part14sequential Logic Circuit Ares
  • Jk Flip Flop Circuit Diagram Truth Table And Working Explained
  • Jk Flip Flop Diagram Excitation Characteristic Truth Table Questionssolution

If you re searching for Basic Radar Block Diagram you've reached the right location. We have 104 images about basic radar block diagram including pictures, photos, photographs, wallpapers, and much more. In such web page, we additionally have variety of graphics available. Such as png, jpg, animated gifs, pic art, symbol, blackandwhite, translucent, etc.

Flip Flops In Electronics T Flip Flop Sr Flip Flop Jk Flip Flop D Flip Flop Circuits Basic Radar Block Diagram

74ls73 Dual Jk Flip Flop Pinout Datasheet Working Basic Radar Block Diagram

Designing Jk Flipflop Basic Radar Block Diagram

Clocked J K Flip Flop Eeweb Basic Radar Block Diagram

Basic Radar Block Diagram

J K Flip Flop Basic Radar Block Diagram

Digital Circuits Conversion Of Flip Flops Tutorialspoint Basic Radar Block Diagram

Https Encrypted Tbn0 Gstatic Com Images Q Tbn And9gcr5q1yxu4pfbpoyyloqhl3jg Hvxvtwrlbkdzbzvmqlyur14unw Usqp Cau Basic Radar Block Diagram

Jk Flip Flop Circuit Diagram Truth Table And Working Explained Basic Radar Block Diagram

Vhdl Code For Flip Flops Using Behavioral Method Full Code Basic Radar Block Diagram

Basic Radar Block Diagram, Jk Flip Flop Circuitverse

  • Edge Triggering Seems To Me Leaving Every Circuit In An Inconsistent State Electrical Engineering Stack Exchange
  • The J K Flip Flop Multivibrators Electronics Textbook
  • Understand The Jk Flip Flop Logic Diagram Electrical Engineering Stack Exchange

Basic Radar Block Diagram, Jk Flip Flop Circuit Diagram Truth Table And Working Explained

  • Jk Flip Flop Circuit Diagram Truth Table And Working Explained
  • What Is A Master Slave Flip Flop Circuit Diagram And Its Working
  • Understand The Jk Flip Flop Logic Diagram Electrical Engineering Stack Exchange

Basic Radar Block Diagram, Vhdl Code For Flip Flops Using Behavioral Method Full Code

  • Jk Flip Flop Truth Table And Circuit Diagram Electronics Post
  • Jk Flip Flop What Is It Truth Table Timing Diagram Electrical4u
  • The J K Flip Flop Multivibrators Electronics Textbook

More From Basic Radar Block Diagram


Incoming Search Terms:

  • What Is A Master Slave Flip Flop Circuit Diagram And Its Working Wiring Circuit Diagram,
  • Vhdl Code For Flip Flops Using Behavioral Method Full Code Wiring Circuit Diagram,
  • Jk Flip Flops Wiring Circuit Diagram,
  • J K Flip Flop Wiring Circuit Diagram,
  • Flip Flop Conversion Sr To Jk Jk To Sr Sr To D D To Sr Jk To T Jk To D Wiring Circuit Diagram,
  • Jk Flip Flops Wiring Circuit Diagram,