counter stats Ir2153 Smps Circuit, Ir2153 Audio Smps Circuits Electronics Projects Circuits

Ir2153 Smps Circuit, Smps Ir2153 Search Easyeda

  • Diagram Hcl Smps Circuit Diagram Full Version Hd Quality Circuit Diagram Blogxdario Mefpie Fr
  • Nb 5437 Ir2153 Smps Circuit Project 2x50v Switch Mode Power Supply Test Wiring Diagram
  • Ir2161 Smps Circuit Ir2153 Alternative Ir2161 Smps Schematic Ir2161 Circuit Electronic Circuit Projects Power Supply Circuit Electronic Schematics
  • High Voltage Current Half Bridge Driver Using Ir2153 Igbt Electronics Lab Com
  • Self Oscillating Smps Circuit Flyback 600w 60v 120khz 600w Smps Free Photos
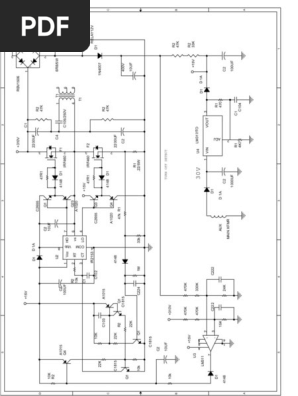
  • Smps 2 X 50v 350w Circuit For Audio Power Amplifiers Homemade Circuit Projects
  • Smps 2 X 50v 350w Circuit For Audio Power Amplifiers Homemade Circuit Projects
  • Igbt Halfbridge 20 200khz With Overload Protection
  • Smps Dengan Ir2153 Dalam Pengembangan Hanya Ingin Berbagi
  • 40v 0v 40v 10a Smps For Power Amplifier Forum For Electronics

Find, Read, And Discover Ir2153 Smps Circuit, Such Us:

  • Switch Mode Power Supply Circuit Sg3525 Ir2110 900w Smps Electronics Projects Circuits
  • Simple Switched Power Supplies Pocketmagic
  • High Voltage Current Half Bridge Driver Using Ir2153 Igbt Electronics Lab Com
  • Https Encrypted Tbn0 Gstatic Com Images Q Tbn And9gcs Qfwqizzn1 Wqi01vf Iwu3utgcskyzawahlx91pqc Mrbcko Usqp Cau
  • How To Make A 2kva Ferrite Core Inverter Circuit

If you re looking for Venn Diagram Of Solid Liquid And Gas you've arrived at the ideal location. We ve got 104 graphics about venn diagram of solid liquid and gas including pictures, pictures, photos, wallpapers, and much more. In these web page, we additionally have variety of images available. Such as png, jpg, animated gifs, pic art, symbol, black and white, transparent, etc.

Half Bridge Mosfet Driver Ic Irs2153 1 D Datasheet Homemade Circuit Projects Venn Diagram Of Solid Liquid And Gas

Weird Output Voltage From Smps Electrical Engineering Stack Exchange Venn Diagram Of Solid Liquid And Gas

350w Smps Power Supply Circuit Electronic Circuit Venn Diagram Of Solid Liquid And Gas

1kw Smps Project Based On Microsim Design Pg1 1kw Smps Ir2153 Pdf Venn Diagram Of Solid Liquid And Gas

Smps Ir2153 With Short Circuit Protect Utsource Hackaday Io Venn Diagram Of Solid Liquid And Gas

Switching Power Supply On Ir2153 Ir2155 Switching Power Supply On Ir2153 Venn Diagram Of Solid Liquid And Gas

40v 0v 40v 10a Smps For Power Amplifier Forum For Electronics Venn Diagram Of Solid Liquid And Gas

Simple Switched Power Supplies Pocketmagic Venn Diagram Of Solid Liquid And Gas

Https Restovarius Files Wordpress Com 2014 09 Ir2153 By Res Pdf Venn Diagram Of Solid Liquid And Gas

Https Encrypted Tbn0 Gstatic Com Images Q Tbn And9gcs0ehyy4kmfkbwy Utwmzh6acolz9rm R4e8l6ybvdv2qx Jwuv Usqp Cau Venn Diagram Of Solid Liquid And Gas

Venn Diagram Of Solid Liquid And Gas, Https Restovarius Files Wordpress Com 2014 09 Ir2153 By Res Pdf

  • Electronic Halogen Transformer
  • Diagram Smps Half Bridge For Audio Shems
  • Ir2153 Smps Schematic Circuit Based On The Ir2153 Half Bridge Mosfet Driver Controlling 2 Irf460 Bridge Converter 2kw 48v Smps 500w Audio Amplifier Circuit Diagram

Venn Diagram Of Solid Liquid And Gas, Ir2153 Smps Schematic Circuit Based On The Ir2153 Half Bridge Mosfet Driver Controlling 2 Irf460 Bridge Converter 2kw 48v Smps 500w Audio Amplifier Circuit Diagram

  • 220v To 24v 15a Power Supply Switching Power Supply Ir2153 8 Steps Instructables
  • 1kw Smps Project Based On Microsim Design Pg1 1kw Smps Ir2153 Pdf
  • Ir 2153 Smps With Feedback Shems

Venn Diagram Of Solid Liquid And Gas, Igbt Halfbridge 20 200khz With Overload Protection

  • Ir2161 Smps Circuit Ir2153 Alternative Ir2161 Smps Schematic Ir2161 Circuit In 2020 Electronic Circuit Projects Power Supply Circuit Electronic Schematics
  • 220v To 24v 15a Power Supply Switching Power Supply Ir2153 8 Steps Instructables
  • Use And Misuse Of The Ir2153 For Feeders Up To 1 5kw Elettroamici

More From Venn Diagram Of Solid Liquid And Gas


Incoming Search Terms:

  • 1kw Smps Project Based On Microsim Design Pg1 1kw Smps Ir2153 Pdf What Is Keynesian Cross,
  • Simple Switching Mode Power Supply Youtube What Is Keynesian Cross,
  • Smps 2 X 50v 350w Circuit For Audio Power Amplifiers Homemade Circuit Projects What Is Keynesian Cross,
  • How To Make A 12v 20a 250watt Power Supply With Ir2153 Youtube What Is Keynesian Cross,
  • Ir2153 Audio Smps Circuits Electronics Projects Circuits What Is Keynesian Cross,
  • Ir2153 Half Bridge Mosfet Burning Problem What Is Keynesian Cross,