counter stats Igbt Circuit Diagram, Insulated Gate Bipolar Transistors Worksheet Discrete Semiconductor Devices And Circuits

Igbt Circuit Diagram, Igbt Driver Circuit Pdf

  • Igbts Frequently Asked Questions Faqs Power Electronics
  • Pwm Based Ac Power Control Using Mosfet Igbt
  • Insulated Gate Bipolar Transistor Igbt Electrical4u
  • Insulated Gate Bipolar Transistor Wikipedia
  • Igbt Transistor Basics Characteristics Switching Circuit And Applications
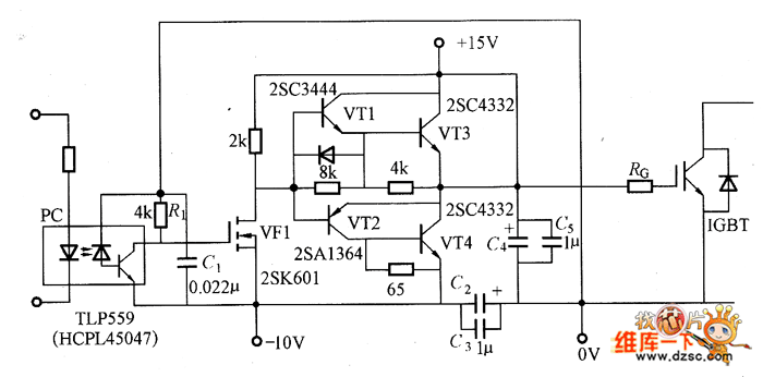
  • Schematic Info Igbt Audio Amplifier
  • How Advanced Igbt Gate Drivers Simplify High Voltage High Current Inverters Power Electronic Tips
  • How Does A Driver Circuit Work For An Igbt Quora
  • Igbt With Output Buffer Drive Circuit Diagram Basic Circuit Circuit Diagram Seekic Com
  • The Igbt Protection Elettroamici

Find, Read, And Discover Igbt Circuit Diagram, Such Us:

  • Igbt Transistor Basics Characteristics Switching Circuit And Applications
  • Igbt Transistor Basics Circuit X Code
  • H Bridge Schematic With Darlington Igbt Transistor Outputs
  • Single Igbt Test Circuit Download Scientific Diagram
  • Homemade Inverter Inverter Schematics Circuit Diagrams How To Test Igbt Module

If you are looking for Free Body Diagram Definition Class 11 you've reached the perfect place. We have 104 graphics about free body diagram definition class 11 adding pictures, photos, pictures, wallpapers, and more. In such webpage, we additionally have variety of images out there. Such as png, jpg, animated gifs, pic art, symbol, black and white, transparent, etc.

Gate Control Unit For Igbt Drive Converters Eeweb Free Body Diagram Definition Class 11

Igbt Grid Electrode Driving Circuit Other Circuit Electrical Equipment Circuit Circuit Diagram Seekic Com Free Body Diagram Definition Class 11

Igbt Driver Circuit For Inverter Free Body Diagram Definition Class 11

Schematic Info Igbt Audio Amplifier Free Body Diagram Definition Class 11

What Is Igbt Working Operation Applications Different Types Of Igbt Free Body Diagram Definition Class 11

Energies Free Full Text An Aging Degree Evaluation Method For Igbt Bond Wire With Online Multivariate Monitoring Html Free Body Diagram Definition Class 11

Igbts Find Their Way Into Cutting Edge Applications Electrical Engineering News And Products Free Body Diagram Definition Class 11

How Advanced Igbt Gate Drivers Simplify High Voltage Free Body Diagram Definition Class 11

Circuit Schematic Of Igbt Module Download Scientific Diagram Free Body Diagram Definition Class 11

Operation Of Igbt Circuit Basic Structure And Its Advantages Free Body Diagram Definition Class 11

Free Body Diagram Definition Class 11, What Is The Principle Of Operation Of The Igbt Toshiba Electronic Devices Storage Corporation Asia English

  • Mg8q6es42 N Channel Igbt Electrical Engineering Stack Exchange
  • Figure 9 From Cost And Space Effective Igbt Gate Drive Circuit For Bi Directional Switch Of Matrix Converter Semantic Scholar
  • Igbt Transistor Basics Circuit X Code

Free Body Diagram Definition Class 11, Uc3845 Stgw30nc60wd Igbt 3v 60v 40amps Smps Schematic Circuit Diagram

  • Igbt Field Effect Transistor Mosfet
  • What Is Igbt Working Operation Applications Different Types Of Igbt
  • Fundamentals Of Mosfet And Igbt Gate Driver Circuits Electronics Lab Com

Free Body Diagram Definition Class 11, Motor Inverter Circuit Configuration Example Application Note Tech Note Tdk Product Center

  • Igbt Grid Electrode Driving Circuit Other Circuit Electrical Equipment Circuit Circuit Diagram Seekic Com
  • Induction Heating Iii With Igbt
  • Pwm Based Ac Power Control Using Mosfet Igbt

More From Free Body Diagram Definition Class 11


Incoming Search Terms:

  • Igbt Transistor Basics Characteristics Switching Circuit And Applications Beech Tree Roots Diagram,
  • Igbt Module Inverter Circuit Diagram Library Shunlongwei Co Ltd Beech Tree Roots Diagram,
  • Igbt Equivalent Circuit Download Scientific Diagram Beech Tree Roots Diagram,
  • Importance Of Igbt Drivers Beech Tree Roots Diagram,
  • Insulated Gate Bipolar Transistor Igbt Circuits Tutorial Beech Tree Roots Diagram,
  • Mg8q6es42 N Channel Igbt Electrical Engineering Stack Exchange Beech Tree Roots Diagram,